Subscribe to be notified about products, launches, special offers and news.
Select the account type that best suits your needs.
Contractors
Trade Professionals
Large Corporate
General Business
Military / Government
Institutional
Hospitals
Behavioral Health
K-12 Higher Learning
GSA Contract
Already have an account? Sign in
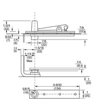
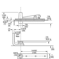
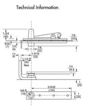
Application
• Interior Doors
• Weight to 200 lbs.
• Door Sizes up to 3'6"x 8'6" (1067 x 2591mm)
• Non-handed
• Light-Duty/Light Weight Jamb Attached Pivot Set
Center hung pivots are door hanging means only. To close doors, see floor closer sections.
• Standard top pivot 320 included
• Bottom pivot mortised into side jamb
• Weight of door borne by floor
• Pivot point centered in thickness of the door
• Door must have a radius on pivot edge
• Not allowed for use on labeled doors and frames
• Pivot point remains constant at 1-1/4 from the edge of the door
• Furnished with wood and machine screws
• Available with extended spindles in 1/2" (13mm) increments up to 2" (51mm) longer than standard

TO ADD MULTIPLE ITEMS TO YOUR QUOTE, PLEASE FILL QTY FIELD THEN CLICK ON "ADD TO QUOTE"




