Subscribe to be notified about products, launches, special offers and news.
Select the account type that best suits your needs.
Contractors
Trade Professionals
Large Corporate
General Business
Military / Government
Institutional
Hospitals
Behavioral Health
K-12 Higher Learning
GSA Contract
Already have an account? Sign in
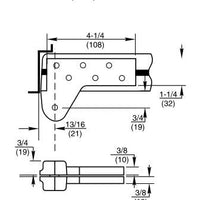
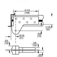
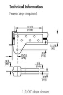
| Manufacturer | Rixson |
| SKU | L180 |
| Unit of Measure | Each |
| Installation | Commercial |
| Base Material | Brass or Bronze |
| Limited Warranty | 2 Years |
| Fire Rating | No |
| Hinge Type | Top Pivot, Offset Set |

TO ADD MULTIPLE ITEMS TO YOUR QUOTE, PLEASE FILL QTY FIELD THEN CLICK ON "ADD TO QUOTE"











